今天遇到一个奇怪的问题,又三维生成工程图的时候提示:“SolidWorks视图调色板已过时,单击刷新更新视图调色板”。原因:图框不在图纸绘制界面;解决办法如下:1:在图框区域右键单击“图纸编辑”。2:再次点击“视图调色板”即可。3:这样就可以将视图拖到图框里生成工程图了。
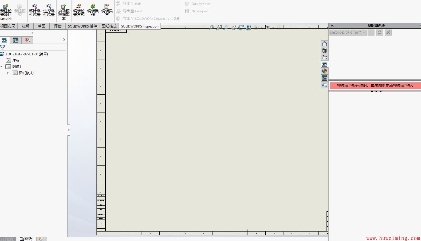
今天遇到一个奇怪的问题,又三维生成工程图的时候提示:“SolidWorks视图调色板已过时,单击刷新更新视图调色板”。

原因:图框不在图纸绘制界面;解决办法如下:
1:在图框区域右键单击“图纸编辑”。

2:再次点击“视图调色板”即可。

3:这样就可以将视图拖到图框里生成工程图了。

